For CNC cutter grinders | Diamond and CBN Profile Wheels | Resin Bond Wheels | Electroplated tools (Drawings) | Composite Pipe Grinding Wheels | GRP / Composites Industry | Stone Products | Contact | Case Studies | Gallery | Home

DIAMOND & CBN TOOLING FOR CUTTER GRINDERS

Up to 30% faster cutting

Superb corner holding

Extended wheel life



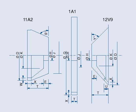
Click to enlarge

Cranden Diamond Products are proud to have developed a new generation of polyimide bonded grinding wheels. Specially formulated to maximise the performance of state of the art CNC tool and cutter grinding machines. Standard specifications combine good corner holding, long wheel life with an oustanding rate of cut. Reduced cycle times, improved surface finish and tool life.

A variety of specifications to suit your applications. Available in diamond for tungsten carbide and CBN for high speed steel. Our wheels have been tested on ANCA, Walter Helitronic, Strausak, Hoffman, Schutte, Deckel and Schneeburger machines. They have out-performed wheels from exisitng suppliers. Especially well with neat oil coolant.

Applications include: • Fluting gashing relieving and OD Grinding • Milling cutters • Taps • Drills • Step Drills • Reamers • Routers • Burrs • Countersinks • Form Mills • Gun Drills